製品案内
電磁クラッチ/ブレーキ
シンクロツースクラッチ STC形
特長
STC形は常に一定の位置でのみで連結する噛み合い式のシンクロツースクラッチです。
小形・高トルクで確実な連結を円周上の1点でしか噛み合わない特殊歯面をもたせ、電気的に回転中定位置連結を行うことにより正確な定位置連結や同期運転を簡単に実現できます。

主要特性・仕様表
| 型式 | 定格トルク(Nm) | 励磁電圧DC(V) | 容量 | 重量(kg) | 取付方法 | |
|---|---|---|---|---|---|---|
| 於20℃(W) | 於75℃(W) | |||||
| STC-86 | 100 | 24 | 40.5 | 32 | 2 | 通し軸 |
注
- 相対回転数100r/min以下で連結可能です。
- 取付ボルトの管理値について以下のトルク値にて管理願います。
STC 型式 ボルトサイズ トルク管理値[Nm] STC-86 M6 6.5~8.5
この他にもシンフォニアテクノロジーで豊富にシリーズ化しております。
その他の仕様はシンフォニアテクノロジーへお問い合わせください。
クラッチ・ブレーキ:電磁クラッチ/電磁ブレーキ:シンフォニアテクノロジー
構造図

図のように、一つの固定部と二つの回転部からなっております。
固定部はコイル③を内蔵したフィールド①でロータ④と一緒に回らないように機械フレーム等を支持します。
回転部ロータ④とアーマチュア⑤とアーマチュアハブ⑦よりなっております。
アーマチュア⑤はアーマチュアハブ⑦へガイドピン⑥およびボルト⑨によって取り付けられた軸方向にスライドします。又アーマチュアハブ⑦はボルトで駆動部あるいは従動部(ギヤー、スプロケットなど)に取付けます。
| ①フィールド | ⑥ガイドピン |
| ②リード線 | ⑦アーマチュアハブ |
| ③コイル | ⑧レリーズスプリング |
| ④ロータ | ⑨ボルト |
| ⑤アーマチュア |
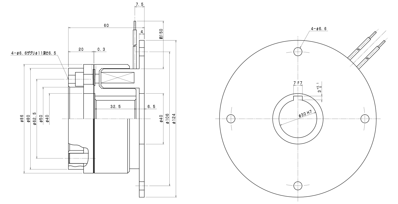
外形図(単位:mm)
STC-86

